网站首页  安卓软件下载  安卓游戏下载  电脑软件下载  mac软件下载  翻译软件  电影下载  电视剧下载  教程攻略

请输入您要查询的电脑软件:

 

软件 建筑图纸设计工具
分类 电脑软件-行业软件-工程建筑
语言 简体中文
大小 55.02 MB
版本 1.0官方正式版
下载
介绍

软件简介

      建筑图纸设计工具最新版是一款操作简单的建筑绘图工具。建筑图纸设计工具官方版中支持框架、框剪、筒体、砖混、混合、底框砖混等结构形式,实现从结构建模、计算、结构施工图自动生成和基础设计等一体化过程。建筑图纸设计工具还可以帮助您轻松管理CAD图纸,从绘图到文字编辑、钢筋符号添加,都可以实现最方便的操作流程。

软件功能

      屋顶的创建

      建筑图纸设计工具最新版提供了按给定参数生成平屋顶,双坡屋顶、四坡屋顶、矩形屋顶和檐口等屋顶构件的功能。

      其他设施的创建

      基于墙体创建包括阳台、台阶与坡道等自定义对象,具有二维与三维特征以及夹点对象编辑功能。

      立面图的编辑

      生成后的立面图是纯二维图形,提供门窗套、雨水管、轮廓线等立面细化功能。

      人防荷载作用组合

      每块板可设置核爆等效静荷载标准值,正向下,负向上;每片剪力墙可设置核爆等效静荷载标准值,在墙的左或右。

      计算沉降:计算扩展基础、桩基础、弹性地基梁和筏板基础下的沉降

      恒荷载:重力类恒荷载:结构重量等计入质量的恒荷载

      非重力类恒载:土侧压力、水侧压力、水浮力和预应力荷载等不计入质量的恒荷载

      快速生成指标、对比指标,并快速分析指标结果是否合理;

建筑图纸设计工具软件特色

      打开图层、解冻图层:提供选择可部分打开(或解冻)已关闭(或冻结)图层的交互

      锁定图层:高版本CAD下增加退色效果

      绘制轴网:支持图取尺寸

      构 造 柱:支持墙端插柱方式,主要用于门窗边的构造柱

      创建墙梁:总宽、左宽、右宽支持图取参数

      墙齐轴线:精度设置开放到分支命令

      门 口 线:不随门开启方向变化而翻转

      门内外翻:仅有一侧的门口线不翻转

      门窗调位:原“轴线定距”≈现“基线定位”,现“轴线定距”向门窗两端找最近的轴线

      门窗整理:支持参照内的门窗;选中编号行时增加不移屏的设置

建筑图纸设计工具安装步骤

      1、首先您需要下载setup.exe程序,双击进入安装的界面。如图所示

      2、查看软件的许可协议,勾选接受的项目进入下一步,不接受就不能继续安装

      3、设置程序安装的路径,这里默认为C:GSCAD,通常情况下是不需要更改的

      4、出现安装准备的界面,这里是让查看有没有错误的项目,点击返回可以重新设置

      5、点击下一步,软件开始安装,安装的过程中会有几秒的等待时间,请稍后

      6、点击安装以后,软件进入文件的安装过程,出现完成的界面就可以使用了

建筑图纸设计工具官方电脑端使用方法

      图层管理对话框

      点按“工具栏─图层管理对话框”,弹出如下图层管理对话框,CAD已经设置了一些固有结构图层,可以修改图层显示开关、删除锁定、颜色、线宽和线型。当前图层列表框用于选择当前图层,控制图层显示开关和删除锁定。当前图层颜色列表框用于选择当前图层的颜色。当前图层线宽列表框用于选择当前图层的线宽。当前图层线型列表框用于选择当前图层的线型。

      输入多行文字

      菜单位置:工具栏─多行输入

      命 令:MText

      功 能:多行文字的输入及编辑,并可选择常用词库及输入特殊符号

      点取此命令,弹出如下文本输入框。

      标注承台

      菜单位置:工具─尺寸编辑─标注承台

      功 能:

      命 令:MarkBear

      弹出下面对话框,选择要尺寸位置和内容,单击确定关闭对话框。

建筑图纸设计工具

      Fl---相应于荷载效应基本组合时的集中力设计值,对内柱取轴力设计值减去筏板冲切破坏锥体内的地基反力设计值;对边柱和角柱,取轴力设计值减去筏板冲切临界截面范围内的地基反力设计值;地基反力值应扣除底板自重;

      底板受冲切和剪切验算

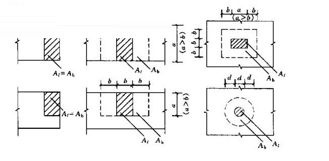
      Vs---距梁边缘h0处,作用在如下图中阴影部分面积上的地基土平均净反力设计值;

      βhs---受剪切承载力截面高度影响系数,板的有效高度h0小于800mm时,h0取800mm;h0大于2000mm时,h0取2000mm。

      局部受压验算

      当扩展基础的混凝土强度等级小于柱和墙肢的混凝土强度等级时,尚应验算柱和墙肢下扩展基础顶面的局部受压承载力。

      对基础的冲切和剪切验算

      对中低压缩性土上的承台,当承台与地基土之间没有脱空现象时,可根据地区经验适当减小柱下桩基础独立承台受冲切计算的承台厚度。

截图
随便看

 

电脑软件下载频道提供pc端必备的网络软件、杀毒软件、聊天工具、媒体播放等各类电脑软件的下载,找免费的安全的绿色的电脑软件就来天天下载平台!

 

Copyright © 2002-2024 hpnw.net All Rights Reserved
更新时间:2026/5/17 23:16:48